The Wurlitzer Electronic Tuner Model ET-6000



Recently I brought this tuner out of my stockroom to start rebuilding it. It was purchased from the Detroit area Wurlitzer company in 1978 when I was employed as an organ technician there. No one knew too much about it back then and even less is known about it today. As I was replacing old caps and tubes, I thought it appropriate to post what info I have in the hope that Internet visitors could help fill in some of the blanks about this vintage piece. If you can shed any history on the Wurlitzer tuner shown here, please click the email link at the bottom of the page to tell me about it. I will post any relevations I receive here in the future.
Thanks,
Don Hicks



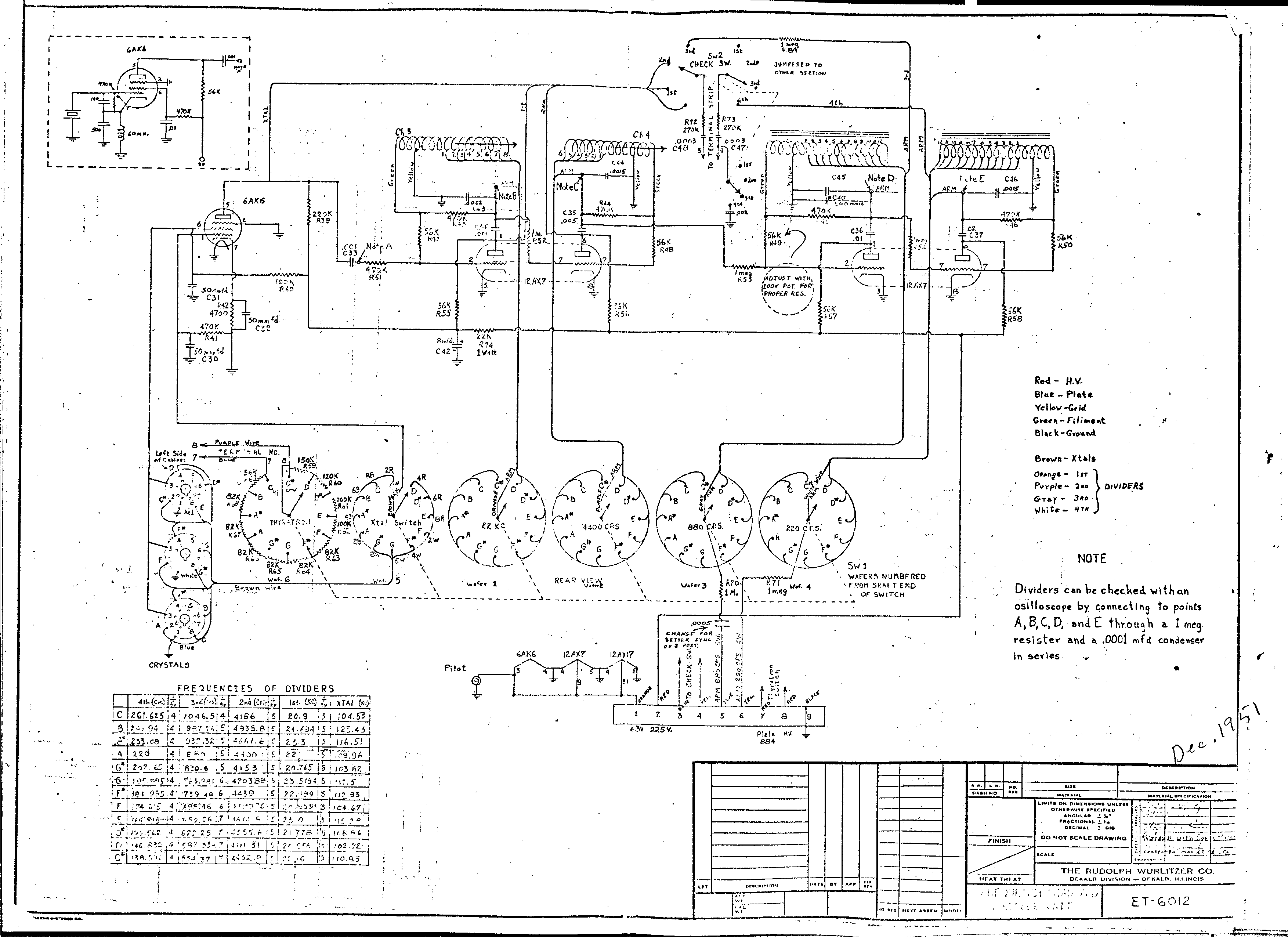
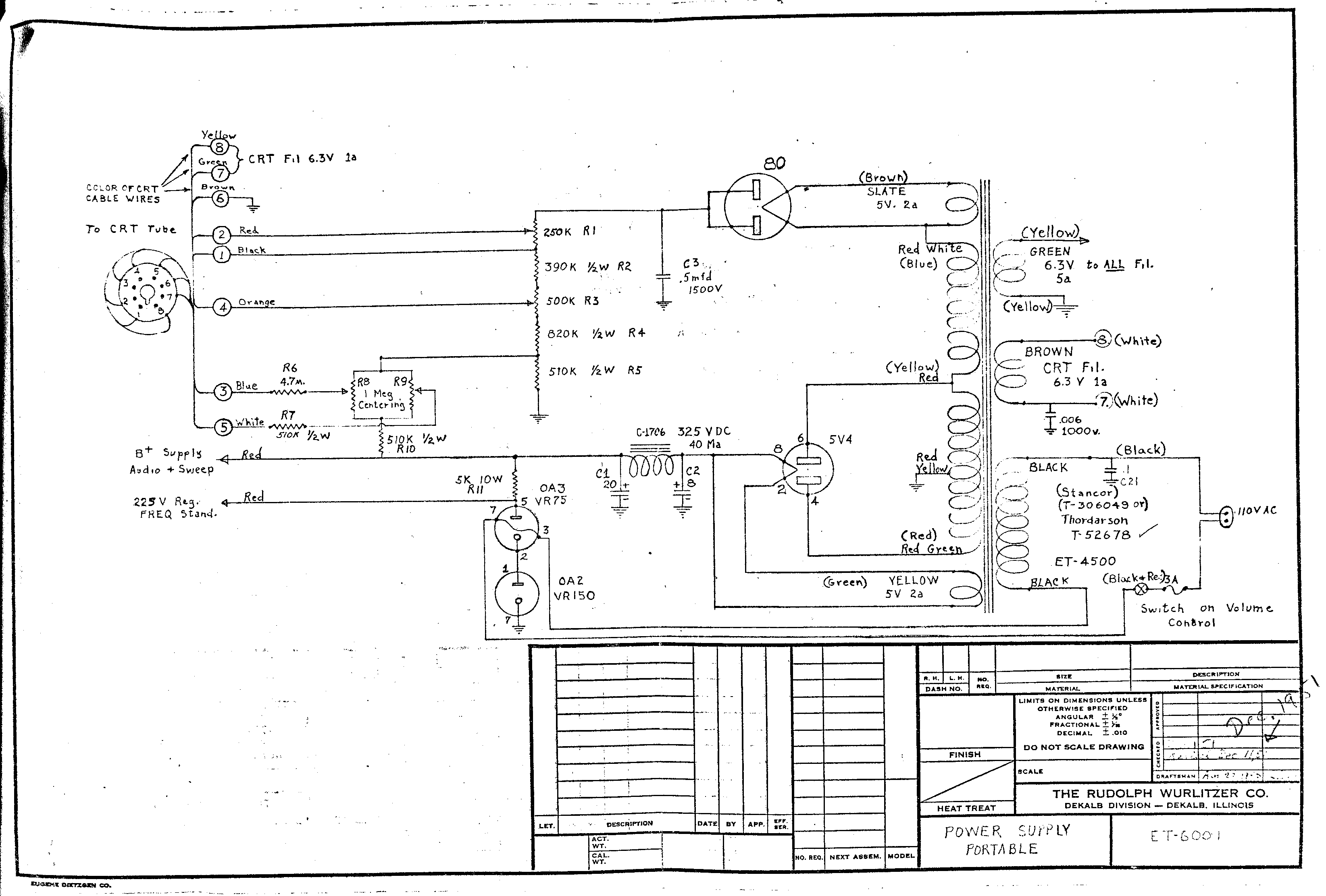
Wurlitzer Electronic Tuner ET-6000 / 6012
     
     
     




To have a look at the original schematics (gifs) click:
Power Supply   (120k)
Audio & Sweep   (147k)
Freq dividers   (185k)



I've archived the original schematics of the ET-6000 here  (3 bmp's zipped_353k)

The original 6 page manual of the ET-6000 is here  (6 bmp's zipped_769k)



updated 3/31/06 --- Don Hicks

To leave me a message about this project, you can find me  here

Visit my Organ Repair Shop here

Visit my humble home recording studio here

To leave & go someplace else more interesting click here



web page hit counters codes Free
<>